安装与接线


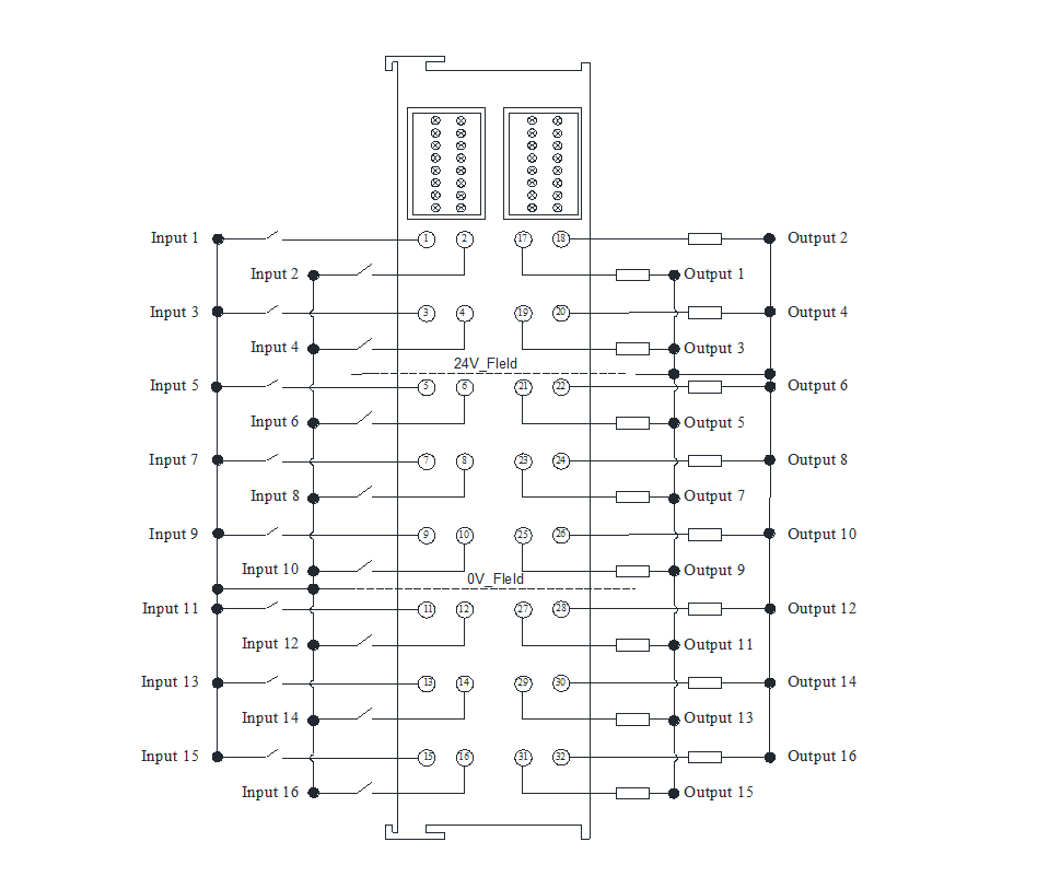
SRL1232接线图

SRL1332接线图